我們著力于為客戶提供更優的產品,專業的解決方案,視產品與服務質量為生命。
自研產品、完全自主知識產權、性能穩定、精度高、供貨穩定、客戶反饋好、歡迎廣大客戶訂購
始終為客戶提供超越期望的價值,堅持以精湛的技術贏得市場,以良心的服務贏得信譽!
咨詢熱線:18210288648
合作成就夢想,加盟共贏未來。

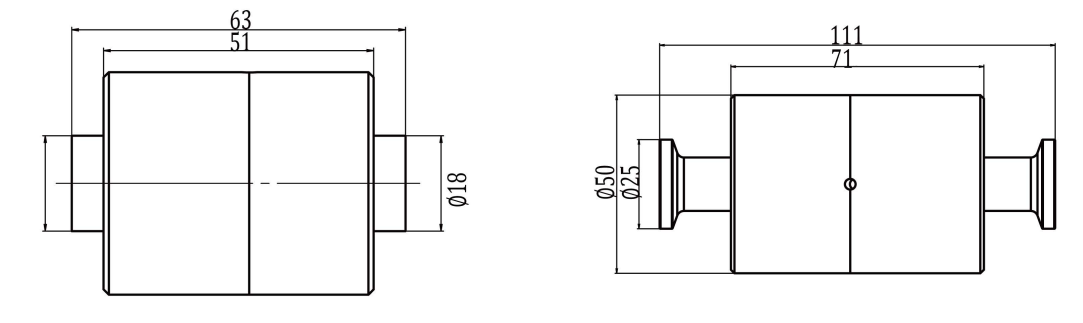
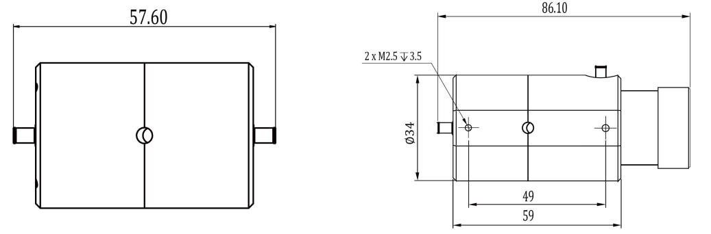
PH電導流通池
產品介紹
電導流通池,適用于多種類型的液相色譜系統,用于檢測電導率和溫度等參數,與PTC采集板 配套使用,利用流通池正面或側面預留的螺絲孔位固定在機箱表面。 接頭尺寸、流路內徑、外觀顏色、材質等均可定制。
安裝尺寸圖
安裝孔位圖
基本參數:
名 稱:常規電導流通池(10-32) 大孔徑電導流通池(5/16-24)
型 號:CON-L CON-LD6
貨 號:28-0308-101 28-0308-106
孔 徑:1.0mm 3mm
接頭規格: 1/16、10-32,1/4-28 5/16-24
耐 壓:2MPa 2MPa
死 體 積:24u L 250ul
接液材質:純鈦+PEEK 純鈦+PEEK
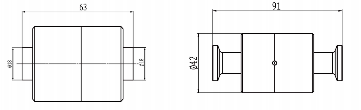
產品介紹
電導流通池,適用于多種蛋白純化系統,檢測電導及溫度的數據,與PTC檢測板配套使用,可 根據側面預留的螺絲孔位固定在機器表面。 接頭尺寸、流路內徑、模塊顏色、材質均可定制。
安裝尺寸圖
安裝孔位圖
基本參數:
名 稱:電導流通池 電導流通池
型 號:CON-LD15 CON-LD20-H
貨 號:28-0308-115 28-0308-120-H
孔 徑:1.6mm 1.0mm
接頭規格: 1/4-28 1/16,10-32
耐 壓:2MPa 2MPa
死 體 積:45.42u L 24ul
接液材質:純鈦+PP+FFKM PP+TA2
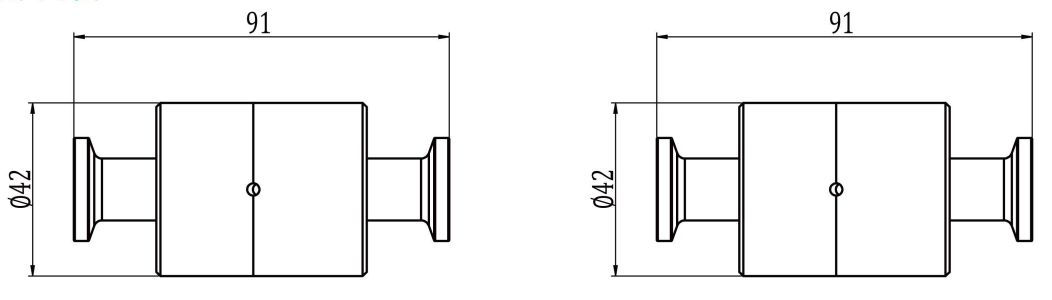
產品介紹
安裝尺寸圖
安裝孔位圖
基本參數:
名 稱:大孔徑電導流通池(DN3/8) 大孔徑電導流通池(DN1/4)
型 號:CON-LD1 CON-LD2
貨 號:28-0308-102 28-0308-103
孔 徑:7.75mm 4.57mm
接頭規格:TC25 TC25
耐 壓:2MPa 2MPa
死 體 積:4228u L 1473ul
接液材質:純鈦+PP+FFKM 純鈦+PP+FFKM
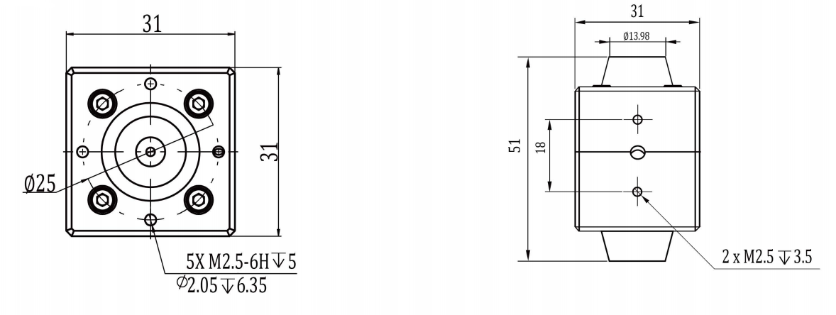
產品介紹
安裝尺寸圖
安裝孔位圖
基本參數:
名 稱:大孔徑電導流通池(DN1/4) 大孔徑電導流通池(DN1/2)
型 號:CON-LD4 CON-LD7
貨 號:28-0308-104 28-0308-107
孔 徑:4.57mm 9.4mm
接頭規格:NPT:1/8內螺紋 TC25
耐 壓:2MPa 2MPa
死 體 積:758u L 7703ul
接液材質:純鈦+PP+FFKM 純鈦+PP+FFKM
產品介紹
電導流通池,適用于多種類型的液相色譜系統,用于檢測電導率和溫度等參數,與PTC采集板 配套使用,利用流通池正面或側面預留的螺絲孔位固定在機箱表面。 接頭尺寸、流路內徑、模塊顏色、材質均可定制。
安裝尺寸圖
安裝孔位圖
基本參數:
名 稱:電導流通池(ID3mm) 電導流通池(ID3mm)
型 號:CON-LD12 CON-LD20
貨 號:28-0308-112 28-0308-120
孔 徑:3mm 3mm
接頭規格:快接頭 快接頭
耐 壓:2MPa 2MPa
死 體 積:406.944u L 680.97ul
接液材質:PP+FFKM+TA2 PP+FFKM+TA2
產品介紹
安裝尺寸圖
安裝孔位圖
基本參數:
名 稱:電導流通池(ID3mm) 電導流通池
型 號:CON-LD16 CON-LD17
貨 號:28-0308-116 28-0308-117
孔 徑:3mm 4.57mm
接頭規格:NPT:1/8內螺紋 NPT:1/4內螺紋
耐 壓:2MPa 2MPa
死 體 積:324.99u L 758ul
接液材質:純鈦+PP+FFKM 純鈦+PP+FFKM
產品介紹
安裝尺寸圖
安裝孔位圖
基本參數:
名 稱:電導流通池(ID12.7) 微電導流通池
型 號:CON-LD11 CONC-K003
貨 號:28-0308-111 28-0308-110
孔 徑:12.7mm 0.75mm
接頭規格:寶塔倒刺接頭 1/16,10-32
耐 壓:2MPa 2MPa
死 體 積:15.33u L 25ul
接液材質:PP+FFKM+TA2 PEEK+純鈦+PTFE
服務熱線:4001811851
電 話:18210288648/許經理
郵 箱:xhn@lm-sc.com.cn
意見投訴:service@lm-sc.com.cn
地 址:北京亦莊經濟技術開發區科創十二街8號合眾思壯2C-806